| Sign In | Join Free | My insurersguide.com |
|
Brand Name : Uchi
Model Number : OBV-SPD-420V
Certification : CE / SGS / ISO9001
Place of Origin : Dongguan China
MOQ : 200 piece
Price : Negotiate
Payment Terms : T/T, L/C, Western Union
Supply Ability : 60000 pieces per month
Delivery Time : 5-15 days after payment
Packaging Details : export package / Negotiate
Condition to work voltage(VDC) : 420Vac
In(8/20μs) : 2.5kV
Limp(8/20μs) : 20kA
Up : 1.2kV
Working temperature(C) : (-40℃~+85℃)
UC(VAC)maxi continuous operating voltage : 420Vac
Response time(ns) : 25ns
Maximum inrush current : 15,25
Lightning protection zone : Class 1
II20X 375V series surge protectors protect against surges affected by indirect lightning and direct lightning
The main technical parameters
Model and specification U1-II20X
| Uc(VAC)Maxi continuous operating voltage | 275, 385,420,440 Vac |
| Up(kV)Voltage protective level | 2.5kV |
| (8/20μs)Imax(kA)Maxi discharging current | 50kA |
| (8/20μs)In(kA)Nominal discharging current | 25kA |
| response time | ≤25ns |
| Signal deterioration indication | off-work;on-replace |
| Housing Material | Red thermoplastic material |
| Housing self-extinguishing class | UL94_V0 |
| Temperature range | -40℃~+80℃ |
| humidity range | 5%~95% |
| Elevational | ≤3000m |
| Method of connecting wire | multiple(Connect In Parallel ) |
| Thread Dimensions | 1.5mm2~35mm2 |
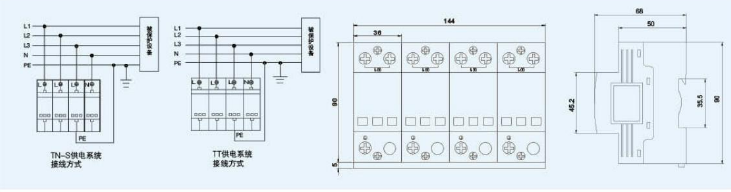
| Mounting method | 35mm standard rail installation |
| IP(degree of protection of enclosure) | IP20 |
Product Features:
combination type SPD
The smallest size single phase surge protector of Iimp: 50KA ;
only 27mm width, save space;
Sealed metal air gap technology,high energy electronic trigger discharge gap, with the ability to block continuous flow
Low output residual;
fast response time (≤25ns);
Installation
◆ The product is installed at the junction of LpZ0A or PLZ0B and PLZ1 area.or installed on the 35mm standard rail at the main distribution box(cabinet) of the power supply. The connecting rall adopts a 6-35mm² multi-strand copper cord.
◆The grounding wire should be a two-color wire of 16mm² or more, and the length is not more than 500mm.
◆In order to prevent the safety of the grid from being affected after the failure of the eddy current protector,a protective HDSCB backup protector should be connected in series with the protection.
Main structure and working principle
◆ spD is a-port, anti-shock protection, indoor fixed installation, voltage limited type.
◆With high impact current (imp: 15kA). Features such as low residual pressure (Up: ≤ 1.5kV). SPD has a built-in disconnector, When the SPD fails due to overheating and breakdown. the disconnector can automaticaly disconnect it from the arid. At the same time, an indication signal is given. ◆The visible window displays white when the SPD is working normally, and displays red after falilure and separation.
|
|
I25X 420V series surge protectors protect against surges affected by Level 1 lightning protection Images |